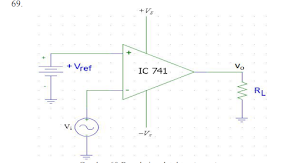
Aplikasi Komparator inverting dengan Vref = +
- Dapat memahami apa yang dimaksud dengan Komparator Inverting
- Dapat memahami rangkaian Komparator Inverting
- Dapat mensimulasikan rangkaian Komparator Inverting
- Baterai
- ResistorResistor adalah komponen Elektronika Pasif yang memiliki nilai resistansi atau hambatan tertentu yang berfungsi untuk membatasi dan mengatur arus listrik dalam suatu rangkaian Elektronika (V=I R). Jenis Resistor yang digunakan disini adalah Fixed Resistor, dimana merupakan resistor dengan nilai tetap terdiri dari film tipis karbon yang diendapkan subtrat isolator kemudian dipotong berbentuk spiral. Keuntungan jenis fixed resistor ini dapat menghasilkan resistor dengan toleransi yang lebih rendah.
Spesifikasi : - Sensor dan suhu NTC
Digunakan untuk mendeteksi suhu ruangan dengan output sebesar 10mV/Celcius.
Spesifikasi:
- Resistance at 25 degrees C: 10K +- 1%
- B-value (material constant) = 3950+- 1%
- Dissipation factor (loss-rate of energy of a mode of oscillation) δ th = (in air)approx.7.5mW/K
- Thermal cooling time constant <= (in air) 20 seconds
- Thermistor temperature range -55 °C to 125 °C - OP-AMP IC LM741
Op-amp adalah satu dari salah satu dari bentuk IC Linear yang berfungsi sebagai Penguat Sinyal listrik. Sebuah Op-Amp terdiri dari beberapa Transistor, Dioda, Resistor dan Kapasitor yang terinterkoneksi dan terintegrasi sehingga memungkinkannya untuk menghasilkan Gain (penguatan) yang tinggi pada rentang frekuensi yang luas. Dalam bahasa Indonesia, Op-Amp atau Operational Amplifier sering disebut juga dengan Penguat Operasional.
Konfigurasi PIN LM741 : - Relay
Relay adalah Saklar (Switch) yang dioperasikan secara listrik dan merupakan komponen Electromechanical (Elektromekanikal) yang terdiri dari 2 bagian utama yakni Elektromagnet (Coil) dan Mekanikal (seperangkat Kontak Saklar/Switch). Relay menggunakan Prinsip Elektromagnetik untuk menggerakkan Kontak Saklar sehingga dengan arus listrik yang kecil (low power) dapat menghantarkan listrik yang bertegangan lebih tinggi.Spesifikasi:- Tipe relay: 5VDC-SL-C
- Tegangan coil: DC 5V
- Struktur: Sealed type - Transistor
Berfungsi sebagai penguat, sebagai sirkuit pemutus dan penyambung arus (switching), stabilisasi tegangan, dan modulasi sinyal. Selain itu, transistor biasanya juga dapat digunakan sebagai saklar dalam rangkaian elektronika. Jika ada arus yang cukup besar di kaki basis, transistor akan mencapai titik jenuh. Pada titik jenuh ini transistor mengalirkan arus secara maksimum dari kolektor ke emitor sehingga transistor seolah-olah short pada hubungan kolektor-emitor. Jika arus base sangat kecil maka kolektor dan emitor bagaikan saklar yang terbuka. Pada kondisi ini transistor dalam keadaan cut off sehingga tidak ada arus dari kolektor ke emitor.
Spesifikasi :- Bi-Polar Transistor
- DC Current Gain (hFE) is 800 maximum
- Continuous Collector current (IC) is 100mA
- Emitter Base Voltage (VBE) is > 0.6V
- Base Current(IB) is 5mA maximum
- LM35
Konfigurasi LM35:Sensor lm35 adalah sensor yang dapat mendeteksi suhu ruangan dalam satuan celcius.Spesifikasi LM35 :
·Dikalibrasi Langsung dalam Celcius (Celcius)
·Faktor Skala Linear + 10-mV / ° C
·0,5 ° C Pastikan Akurasi (pada 25 ° C)
·Dinilai untuk Rentang Penuh −55 ° C hingga 150 ° C
·Cocok untuk Aplikasi Jarak Jauh
·Biaya Rendah Karena Pemangkasan Tingkat Wafer
·Beroperasi Dari 4 V hingga 30 V
·Pembuangan Arus Kurang dari 60-μA
·Pemanasan Mandiri Rendah, 0,08 ° C di Udara Diam
·Hanya Non-Linearitas ± ¼ ° C Tipikal
·Output Impedansi Rendah, 0,1 Ω untuk Beban 1-mA
| Gambar Rangkaian detektor non inverting |
Inverting Amplifier
Rumus:
Komparator
Rumus:
Adder
Rumus:
Bentuk Gelombang
Dioda

Pada grafik terlihat bahwa pada tegangan dibawah ambang batas tegangan mundur (reverse) sebuah dioda akan tembus (menghantar) dan tidak bisa menahan lagi. Batas ini disebut dengan area tegangan breakdown dioda. Kondisi dioda pada area ini adalah tembus atau menghantar dan tidak menghambat. Kemudian pada level tegangan diantara tegangan breakdown dan tegangan forward terdapat area tegangan reverse dan tegangan cut off. Pada area ini kondisi dioda adalah menahan atau tidak mengalirkan arus listrik.
LED (Light Emitting Diode)
Cara kerja LED:
Seperti dikatakan sebelumnya, LED merupakan keluarga dari Dioda yang terbuat dari Semikonduktor. Cara kerjanya pun hampir sama dengan Dioda yang memiliki dua kutub yaitu kutub Positif (P) dan Kutub Negatif (N). LED hanya akan memancarkan cahaya apabila dialiri tegangan maju (bias forward) dari Anoda menuju ke Katoda.
LED terdiri dari sebuah chip semikonduktor yang di doping sehingga menciptakan junction P dan N. Yang dimaksud dengan proses doping dalam semikonduktor adalah proses untuk menambahkan ketidakmurnian (impurity) pada semikonduktor yang murni sehingga menghasilkan karakteristik kelistrikan yang diinginkan. Ketika LED dialiri tegangan maju atau bias forward yaitu dari Anoda (P) menuju ke Katoda (K), Kelebihan Elektron pada N-Type material akan berpindah ke wilayah yang kelebihan Hole (lubang) yaitu wilayah yang bermuatan positif (P-Type material). Saat Elektron berjumpa dengan Hole akan melepaskan photon dan memancarkan cahaya monokromatik (satu warna).
LED atau Light Emitting Diode yang memancarkan cahaya ketika dialiri tegangan maju ini juga dapat digolongkan sebagai Transduser yang dapat mengubah energi listrik menjadi energi cahaya.
LM35
Sensor suhu LM35 adalah komponen elektronika yang memiliki fungsi untuk mengubah besaran suhu menjadi besaran listrik dalam bentuk tegangan. Sensor Suhu LM35 yang dipakai dalam penelitian ini berupa komponen elektronika elektronika yang diproduksi oleh National Semiconductor. LM35 memiliki keakuratan tinggi dan kemudahan perancangan jika dibandingkan dengan sensor suhu yang lain, LM35 juga mempunyai keluaran impedansi yang rendah dan linieritas yang tinggi sehingga dapat dengan mudah dihubungkan dengan rangkaian kendali khusus serta tidak memerlukan penyetelan lanjutan.
Meskipun tegangan sensor ini dapat mencapai 30 volt akan tetapi yang diberikan kesensor adalah sebesar 5 volt, sehingga dapat digunakan dengan catu daya tunggal dengan ketentuan bahwa LM35 hanya membutuhkan arus sebesar 60 µA hal ini berarti LM35 mempunyai kemampuan menghasilkan panas (self-heating) dari sensor yang dapat menyebabkan kesalahan pembacaan yang rendah yaitu kurang dari 0,5ºC pada suhu 25ºC
Simbol LM35 di proteus :
Respon sensor:
Cara kerja LED:
Seperti dikatakan sebelumnya, LED merupakan keluarga dari Dioda yang terbuat dari Semikonduktor. Cara kerjanya pun hampir sama dengan Dioda yang memiliki dua kutub yaitu kutub Positif (P) dan Kutub Negatif (N). LED hanya akan memancarkan cahaya apabila dialiri tegangan maju (bias forward) dari Anoda menuju ke Katoda.
LED terdiri dari sebuah chip semikonduktor yang di doping sehingga menciptakan junction P dan N. Yang dimaksud dengan proses doping dalam semikonduktor adalah proses untuk menambahkan ketidakmurnian (impurity) pada semikonduktor yang murni sehingga menghasilkan karakteristik kelistrikan yang diinginkan. Ketika LED dialiri tegangan maju atau bias forward yaitu dari Anoda (P) menuju ke Katoda (K), Kelebihan Elektron pada N-Type material akan berpindah ke wilayah yang kelebihan Hole (lubang) yaitu wilayah yang bermuatan positif (P-Type material). Saat Elektron berjumpa dengan Hole akan melepaskan photon dan memancarkan cahaya monokromatik (satu warna).
LED atau Light Emitting Diode yang memancarkan cahaya ketika dialiri tegangan maju ini juga dapat digolongkan sebagai Transduser yang dapat mengubah energi listrik menjadi energi cahaya.
Sensor suhu LM35 adalah komponen elektronika yang memiliki fungsi untuk mengubah besaran suhu menjadi besaran listrik dalam bentuk tegangan. Sensor Suhu LM35 yang dipakai dalam penelitian ini berupa komponen elektronika elektronika yang diproduksi oleh National Semiconductor. LM35 memiliki keakuratan tinggi dan kemudahan perancangan jika dibandingkan dengan sensor suhu yang lain, LM35 juga mempunyai keluaran impedansi yang rendah dan linieritas yang tinggi sehingga dapat dengan mudah dihubungkan dengan rangkaian kendali khusus serta tidak memerlukan penyetelan lanjutan.
Meskipun tegangan sensor ini dapat mencapai 30 volt akan tetapi yang diberikan kesensor adalah sebesar 5 volt, sehingga dapat digunakan dengan catu daya tunggal dengan ketentuan bahwa LM35 hanya membutuhkan arus sebesar 60 µA hal ini berarti LM35 mempunyai kemampuan menghasilkan panas (self-heating) dari sensor yang dapat menyebabkan kesalahan pembacaan yang rendah yaitu kurang dari 0,5ºC pada suhu 25ºC
Simbol LM35 di proteus :
NTC Thermistor adalah salah satu jenis resistor yang nilai resistansinya atau nilai hambatannya dipengaruhi oleh suhu (temperature). Thermistor memiliki 2 jenis, yaitu thermistor NTC (negative temperature coefficient) dan PTC (positive temperature coefficient).
Tahanan pada thermistor yaitu 0,5W – 75W, memiliki resolusi awal 0.3 C , memiliki rentang range nilai resistansi yang luas berkisar dari 2000 ohm - 10000 ohm. pada thermistor NTC, nilai resistansinya akan turun jika suhu sekitar thermistor tersebut tinggi, sedangkan pada thermistor PTC, semakin tinggi suhu semakin tinggi pula nilai resistansinya.
- Rangkaian komparator inverting vref=+
- Rangkaian Aplikasi Komparator inverting dengan vref=+
- Untuk membuat rangkaian ini, pertama, siapkan semua alat dan bahan yang bersangkutan, di ambil dari library proteus
- Letakkan semua alat dan bahan sesuai dengan posisi dimana alat dan bahan terletak.
- Tepatkan posisi letak nya dengan gambar rangkaian
- Selanjutnya, hubungkan semua alat dan bahan menjadi suatu rangkaian yang utuh
- Lalu mencoba menjalankan rangkaian
- Download File Rangkaian klik disini
- Download File Rangkaian aplikasi klik disini
- Download File Datasheet Sensor Photo klik disini
- Download File Datasheet sensor NTC klik disini
- Download File Relay klik disini
- Download File Datasheet Resistor klik disini
- Download File Datasheet Transistor NPN BC547 klik disini
- Download File Datasheet 2N7000 klik disini
- Download File Datasheet LM35 klik disini
- Download File Datasheet Op Amp klik disini
- Download File Datasheet motor DC klik disini
- Download File Datasheet Potensiometer klik disini
- Download File Video Rangkaian klik disini
- Download file video rangkaian penghangat ruangan klik disini
- Download file video rangkaian pendingin ruangan klik disini
- Download file video rangkaian lampu ruangan otomatis klik disini



.jpeg)
.jpeg)























Komentar
Posting Komentar